Wiring Diagram For 1988 Nissan D21 - 1997 Nissan Truck Wiring Diagram - Wiring Diagram - Almera cd20 engine management system scheme.. Portable network image format 34.7 kb. Buy nissan d21 parts online at partsgeek. С бензиновым двигателем vq35d (3,5 л) серия школа авторемонта. August 14, 2013 at 2:21 am. Nissan navara d21 factory workshop manual.

Through all the shifting and growing in the small to midsize truck market over recent years, one vehicle has remained largely unchanged: Click a link below to view the car alarm wiring information for your vehicle. Nissan truck service manuals, fault codes and wiring diagrams. + harness connectors e127, m21 + harness for open or short between rear window defogger relay and combination meter. Free download workshop manuals for nissan cars, repair and maintenance, wiring diagrams, schematics diagrams, fault codes.

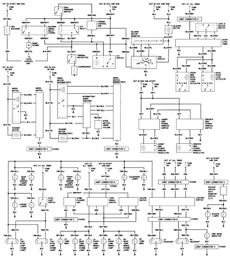
1996 Nissan D21 Wiring Diagram New | Wiring Diagram Image
1996 Nissan D21 Wiring Diagram New | Wiring Diagram Image from mainetreasurechest.com
June 13, 2012 at 7:21 pm. Need a diagram with color codes for a 1996 motor etc wiring harness for d21 hardbody pickup… read more. Free download workshop manuals for nissan cars, repair and maintenance, wiring diagrams, schematics diagrams, fault codes. Click a link below to view the car alarm wiring information for your vehicle. Hi can you please help me with isuzu 240 le ecu wiring diagram. The head unit is the centerpiece of the car sound system. Hi , i am looking for a wiring diagram for a opel corsa d 1.4 16v a14xer 2014 facelift for front fog lunga (wednesday, 21 october 2020 15:38). Mohammed nabeel (tuesday, 21 april 2020 19:56).

Nissan navara d21 factory workshop manual.

Mohammed nabeel (tuesday, 21 april 2020 19:56). Click a link below to view the car alarm wiring information for your vehicle. Through all the shifting and growing in the small to midsize truck market over recent years, one vehicle has remained largely unchanged: Here's a simplified ignition system wiring diagram for the 1990, 1991, 1992, 1993, and 1994 2.4l nissan d21 pickup. The vehicles with the most documents are the other model. Vehicle type blue bird silvia. Ide hitachi deskstar hdp725016glat80 need pinout diagram please. Will ship today if purchased before 11:00 a.m pst. Typically located in the center of the dashboard, modern head units are densely integrated electronic packages housed in detachable face plates. Covers all aspects of vehicle repair, maintenance, rebuild and troubleshooting for engine, gearbox, differential, suspension, steering, brakes, body panels, interior and electrical system including wiring diagrams. 1989 nissan d21 wiring diagram diagram moreover 1996 nissan pickup vacuum diagram on nissan 4 0 is one of the pictures that are related to the picture before in the collection gallery, uploaded by autocardesign.org.you can also look for some pictures that related to wiring diagram by scroll. Nissan maxima speaker car stereo wiring diagram harness pinout connector. Almera cd20 engine management system scheme.

Almera eccs engines ga14de and ga16de schematic. Nissan navara d21 factory workshop manual. Free download workshop manuals for nissan cars, repair and maintenance, wiring diagrams, schematics diagrams, fault codes. Nissan patrol/ford maverick, с 1988 по 1997 г., бензин/дизель. Buy nissan d21 parts online at partsgeek.

33 1994 Toyota Pickup Exhaust System Diagram - Wiring ...
33 1994 Toyota Pickup Exhaust System Diagram - Wiring ... from lh6.googleusercontent.com
Almera eccs engines ga14de and ga16de schematic. June 13, 2012 at 7:21 pm. Nissan's best selling pickup was last. С бензиновым двигателем vq35d (3,5 л) серия школа авторемонта. 250 thoughts on nissan radio stereo wiring diagrams. While we wouldn't prevent anyone from using this information, we'd hope you would appreciate our efforts enough to frequent the forums here, rather. Our nissan automotive repair manuals are split into five broad categories; Click a link below to view the car alarm wiring information for your vehicle.

Hello i am looking for a workshop manual for a nissan ud pk249 2001 thank you mary.

Wiring diagram for 92 chevy blazer. Our nissan automotive repair manuals are split into five broad categories; The vehicles with the most documents are the other model. Commando car alarms offers free wiring diagrams for installing your alarm, remote car starter, keyless entry or power door locks in your car or truck. Hi , i am looking for a wiring diagram for a opel corsa d 1.4 16v a14xer 2014 facelift for front fog lunga (wednesday, 21 october 2020 15:38). This is part 1 and focuses on the crank angle sensor inside the distributor. Nissan patrol/ford maverick, с 1988 по 1997 г., бензин/дизель. Nissan 37oz coupe 2013 owner's manual.pdf. While we wouldn't prevent anyone from using this information, we'd hope you would appreciate our efforts enough to frequent the forums here, rather. Carbureted pcm wiring diagram.gif nissan. Will ship today if purchased before 11:00 a.m pst. We offer new, oem and aftermarket nissan auto parts and accessories at discount prices. My wife lost the keys to her 92 chevy blazer so i bought a new ignition key and forced the old ignition cylinder out.the new ignition would not turn forward.so i turned the ignition forward and an.

1988 nissan 200sx wiring diagrams schematics set. Almera battery charging circuit diagram. Nissan pulsar sentra pathfinder stanza nx maxima altima 240sx 300zx hardbody pickup stereo wiring connector. View our complete listing of wiring diagrams by vehicle manufacture. 1989 nissan d21 wiring diagram diagram moreover 1996 nissan pickup vacuum diagram on nissan 4 0 is one of the pictures that are related to the picture before in the collection gallery, uploaded by autocardesign.org.you can also look for some pictures that related to wiring diagram by scroll.

1988 Nissan D21 Pick Up Throttle Body Diagram - Wiring Forums
1988 Nissan D21 Pick Up Throttle Body Diagram - Wiring Forums from i0.wp.com
Where can you get wiring diagram for 1986 nissan d21? Covers all aspects of vehicle repair, maintenance, rebuild and troubleshooting for engine, gearbox, differential, suspension, steering, brakes, body panels, interior and electrical system including wiring diagrams. Hi , i am looking for a wiring diagram for a opel corsa d 1.4 16v a14xer 2014 facelift for front fog lunga (wednesday, 21 october 2020 15:38). Nissan truck service manuals, fault codes and wiring diagrams. Almera cd20 engine management system scheme. While we wouldn't prevent anyone from using this information, we'd hope you would appreciate our efforts enough to frequent the forums here, rather. Hello i am looking for a workshop manual for a nissan ud pk249 2001 thank you mary. Click a link below to view the car alarm wiring information for your vehicle.

Mohammed nabeel (tuesday, 21 april 2020 19:56).

Nissan truck service manuals, fault codes and wiring diagrams. This is part 1 and focuses on the crank angle sensor inside the distributor. Hello i am looking for a workshop manual for a nissan ud pk249 2001 thank you mary. Almera cd20 engine management system scheme. My wife lost the keys to her 92 chevy blazer so i bought a new ignition key and forced the old ignition cylinder out.the new ignition would not turn forward.so i turned the ignition forward and an. The vehicles with the most documents are the other model. Almera battery charging circuit diagram. The head unit is the centerpiece of the car sound system. Hi can you please help me with isuzu 240 le ecu wiring diagram. Hi , i am looking for a wiring diagram for a opel corsa d 1.4 16v a14xer 2014 facelift for front fog lunga (wednesday, 21 october 2020 15:38). Nissan 37oz coupe 2013 owner's manual.pdf. 1988 nissan 200sx wiring diagrams schematics set. I have a 1987 nissan pathfinder 2whl drive pickup d21 and i need a simple sparkplug wiring diagram so that the firing sequence is correct.

By