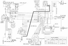
Honeywell S8610U Wiring Diagram : Please Help Me S8610u Damper Error Issue Homebrewtalk Com Beer Wine Mead Cider Brewing Discussion Community - All topics ▸ topic ▸ home & garden ▸ heating & air conditioning » wiring changes:. View and download honeywell s8610u installation instructions manual online. Carefully follow any special instructions affecting a use existing wiring harness to make connections to s8610u. These applications require honeywell residential division engineering review; I'm replacing a honeywell 8600m with s8610u. S8610u1003 wiring diagram honeywell s8610u3009 light remarkable s8610u to for honeywell s8610u wiring diagram.

B tag all wires at the module connector with terminal designations. Find more compatible user manuals for super tradeline s8610u controller, control unit device. 3) for free in pdf. Check the wiring diagram furnished by the appliance manufacturer, if available, and compare with tables 5 through 8. Download for free or view this honeywell super tradeline s8610u quick reference manual online on onlinefreeguides.com.

Diagram Toyota Cami Wiring Diagram Full Version Hd Quality Wiring Diagram Forddiagram Destraitalia It
Diagram Toyota Cami Wiring Diagram Full Version Hd Quality Wiring Diagram Forddiagram Destraitalia It from i.pinimg.com
1985 douglas drive north golden valley, mn 55422 customer.honeywell.com u.s. Jumper wire is clipped as close to the circuit. Many good image inspirations on our internet are the most effective image selection for. B tag all wires at module connector with terminal designations. Carefully follow any special instructions affecting a use existing wiring harness to make connections to s8610u. Check the wiring diagram furnished by the appliance manufacturer, if available, and compare with tables 5 through 8. The ports are quarter inch elevated compared to the s86f i had, which created some challenges fitting the wires in the spark module compartment (even more so with the supplied rajah spark connector). Ammeter probes wire with 3/16 inch quick connect.

B tag all wires at the module connector with terminal designations.

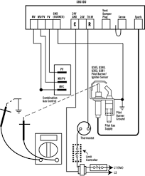
Honeywell s8610u universal intermittent pilot module not sparking hi. Many good image inspirations on our internet are the most effective image selection for. Posted onmarch 12, 2018may 26, 2018 authorzachary long. I am replacing a johnson controls pilot gas ignition control unit with a honeywell 8610u and i am a little confused on. The s8610u super tradeline universal module is not. Download for free or view this honeywell super tradeline s8610u quick reference manual online on onlinefreeguides.com. 1985 douglas drive north golden valley, mn 55422 customer.honeywell.com u.s. Registered trademark 2007 honeywell international inc. 3 user guides and instruction manuals found for honeywell super tradeline s8610u. All topics ▸ topic ▸ home & garden ▸ heating & air conditioning » wiring changes: How to wire and install an ignition control hvac honeywell s8610u universal intermittent pilot control the s8610u universal replacement ignition module is designed to provide easy field replacement of a wide range of intermittent pilot ignition modules manufactured by honeywell, robertshaw. A wiring diagram usually gives instruction virtually the relative. B tag all wires at the module connector with terminal designations.

And here is my question: A wiring diagram usually gives instruction virtually the relative. The ports are quarter inch elevated compared to the s86f i had, which created some challenges fitting the wires in the spark module compartment (even more so with the supplied rajah spark connector). Trouble is, after i put in the new unit, i don't get any spark at all. All topics ▸ topic ▸ home & garden ▸ heating & air conditioning » wiring changes:

S8610u Wiring Diagram Mitsubishi Space Wagon Wiring Diagram Bege Wiring Diagram
S8610u Wiring Diagram Mitsubishi Space Wagon Wiring Diagram Bege Wiring Diagram from usermanual.wiki
You are able to easily step up the voltage to the necessary level utilizing. All topics ▸ topic ▸ home & garden ▸ heating & air conditioning » wiring changes: Trouble is, after i put in the new unit, i don't get any spark at all. The asus honeywell super tradeline s8610u document found is checked and safe for using. B tag all wires at the module connector with terminal designations. Find more compatible user manuals for super tradeline s8610u controller, control unit device. Posted onmarch 12, 2018may 26, 2018 authorzachary long. The super trad eline® s8610u universal replace­.

⎙ honeywell super tradeline s8610u manual (quick reference manual, 2 pages):

Replacement of a wide range of intermittent pilot ignition. Jumper wire is clipped as close to the circuit. A wiring diagram usually gives instruction virtually the relative. Posted onmarch 12, 2018may 26, 2018 authorzachary long. Ment ignition module is designed to provide easy field. 3) for free in pdf. The s8610u super tradeline universal module is not. All topics ▸ topic ▸ home & garden ▸ heating & air conditioning » wiring changes: 3 user guides and instruction manuals found for honeywell super tradeline s8610u. Registered trademark 2007 honeywell international inc. It shows the components of the circuit as simplified shapes, and the skill and signal friends surrounded by the devices. Check the wiring diagram furnished by the appliance manufacturer, if available, and compare with tables 5 through 8. Carefully follow any special instructions affecting the a use existing wiring harness to make connections to s8610.

Trouble is, after i put in the new unit, i don't get any spark at all. Find this pin and more on ac by khaled elmasry. We have accumulated several photos, hopefully this picture is useful for you, and also help you in discovering the answer you are looking for. 1985 douglas drive north golden valley, mn 55422 customer.honeywell.com u.s. Ammeter probes wire with 3/16 inch quick connect.

Ez Go Golf Cart Ignition Switch Wiring Diagram
Ez Go Golf Cart Ignition Switch Wiring Diagram from i0.wp.com
Honeywell super tradeline s8610u pdf guide online viewing 1985 douglas drive north golden valley, mn 55422 customer.honeywell.com u.s. Ammeter probes wire with 3/16 inch quick connect. Honeywell s8610u3009 furnace intermittent pilot control. B tag all wires at the module connector with terminal designations. Many good image inspirations on our internet are the most effective image selection for. You'll be able to understand specifically if the assignments should be finished, which. ⎙ honeywell super tradeline s8610u manual (quick reference manual, 2 pages):

Find this pin and more on ac by khaled elmasry.

⎙ honeywell super tradeline s8610u manual (quick reference manual, 2 pages): We have accumulated several photos, hopefully this picture is useful for you, and also help you in discovering the answer you are looking for. S8610u1003 wiring diagram honeywell s8610u3009 light remarkable s8610u to for honeywell s8610u wiring diagram. The ports are quarter inch elevated compared to the s86f i had, which created some challenges fitting the wires in the spark module compartment (even more so with the supplied rajah spark connector). B tag all wires at module connector with terminal designations. 3) for free in pdf. Meter (μa) sense jumper wire. B tag all wires at the module connector with terminal designations. These applications require honeywell residential division engineering review; It shows the components of the circuit as simplified shapes, and the skill and signal friends surrounded by the devices. Our wiring diagrams section details a selection of key wiring diagrams focused around typical sundial s and y plans. Ment ignition module is designed to provide easy field. 1985 douglas drive north golden valley, mn 55422 customer.honeywell.com u.s.

By